Handspannfutter Spannfutter ZAS
ZAS – die Alufutter-Familie von Maprox, von Ø = 70-315 mm, oder auf Wunsch auch deutlich grösser. Hart wie Stahl (ca. 50 HRC), bei gleichzeitig über 50% weniger Gewicht und der gewohnten Maprox-Präzision. Seit 2004 im Einsatz trotzt es härtesten Bedingungen. Hochwertige Haptik der schwarzen Altef®- Beschichtung. Inklusive einem Satz umkehrbaren Stahlaufsatzbacken, geschliffen und einsatzgehärtet.
Spannfutter
- 3 und 6-Backenfutter
- Durchmesser: 70 / 80 / 125 / 160 / 240 / 315
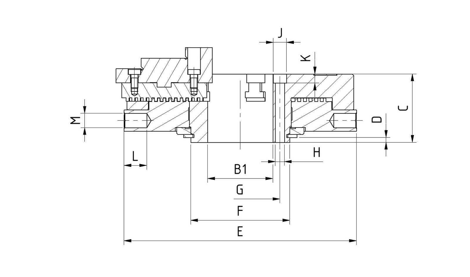
Masse
3 ZAS Ø | 70 | 80 | 110 | 125 | 160 | 240 | 315 |
|---|---|---|---|---|---|---|---|
B1 Ø | 18 | 22 | 32 | 36 | 46 | 68 | 89 |
C | 31 | 34 | 35 | 40 | 48.5 | 67 | 88.3 |
D | 4 | 4 | 4 | 4 | 4 | 4 | 4 |
E Ø | 73 | 86 | 114 | 129 | 164 | 243 | 318 |
F +0.01 / 0 Ø | 32 | 38 | 50 | 60 | 70 | 120 | 157 |
G Ø | 26 | 30 | 42 | 50 | 56 | 86 | 113 |
H Ø | 3 x 3.2 | 3 x 4.2 | 3 x 4.2 | 3 x 5.3 | 3 x 6.4 | 3 x 8.4 | 3 x 10.2 |
J Ø | 5.7 | 7.2 | 7.2 | 9.4 | 9.4 | 15 | 16.5 |
K | 3.6 | 4.5 | 4.5 | 5.8 | 6.5 | 8 | 10.5 |
L | 10 | 11 | 11 | 12 | 16 | 16 | 16 |
M Ø | 5 | 7 | 7 | 7 | 10 | 10 | 10 |
Gewicht in kg. ca. | 0.4 | 0.5 | 0.9 | 1.4 | 2.9 | 9.5 | 18.5 |
Technische Daten
- Wiederholgenauigkeit: 10 μ
- Planlauf: 10 μ
- Rundlauf: 20 μ
- Für Wellendurchmesser 2-371 mm und Bohrungsdurchmesser 18-404 mm
- Spannfutter aus Aluminium, altefiert
- Ø 70-315: Stahlaufsatzbacken, geschliffen und einsatzgehärtet (korrosionsgeschützt, siehe AtD
Optionen
- Anti-magnetisch
- Weiche Blockaufsatzbacken W
- Sonderbaugrössen XXL; bis Ø 600mm
- Noch höhere Genauigkeiten sind auf Anfrage möglich
Aufsatzbacken & Schäfte
- Wir realisieren Ihrem Werkstück entsprechend auch Sonderformen
- Aufsatzbacken auch in Kunststoff, Aluminium, Messing, etc. nach Kundenwunsch erhältlich



